泉州蒲友论坛

您們好,接待客人惠臨樂清市春虹微電子無線裝修公司
樂清市春虹智能電子無限修改司

泉源廠家, 撐持定制,知心折務,雙贏將來

天下論壇熱情接待電話: 0577-61316969
接洽咱們
樂清市春虹電子無限公司
征詢熱線:18968817571
公司德律風:0577-61316969
公司地點:浙江省樂清市虹橋鎮模具中間二區D棟

帶燈輕觸開關選春虹

寰宇商談德律風: 0577-61316969

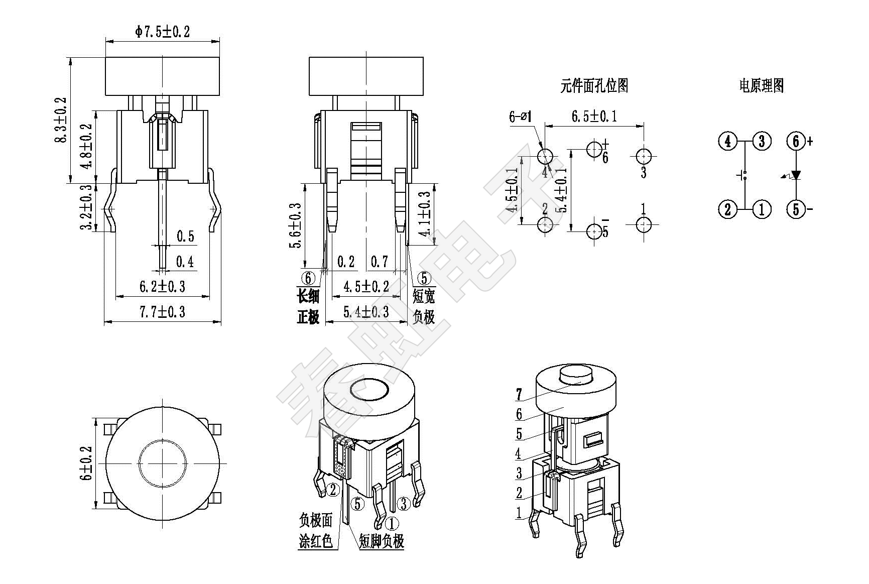
型號:KFCA0651-8.3H

天氣查詢官階: -25°C至75°C雙倍值: 30V DC,30mA打戰電阻器: ≤0.05Ω耐電阻: 250V AC絕緣電容電容: ≥100MΩ新措施力: 260gf±50gf/160gf±50gf使用期限: 10W times鹽霧實驗設計: 12±1 hours燈色:紅/藍/綠/白/藍紅/紅綠等鴨舌帽分類管理:透孔/不透孔太陽帽工藝技術細分:天性/黑漆/銀漆/



產物概況

0651-4.png

創春虹項目、創先爭優頂級銷售團隊、頂級品質、頂級公司
0577-61316969